
產品類別:三次元振動篩
產品簡介:本品大漢公司研制的移動式振動篩料倉一體機,底部加裝可移動式萬向輪,帶進料倉,可將物料一次性裝滿料倉,然后通過調節料倉上的蝶閥控制物流進入振動篩的流量進行篩分,本品的特點間歇性加料,不用工人不間斷投料節省人工,蝶閥控制流量大小能提高篩分精度,同時可將振動篩移動作業,滿足不同地點的工作需要。
全國統一銷售熱線
免費獲取報價
移動式料倉振動篩概述:
移動式振動篩又叫振動篩料倉一體機,底部加裝萬向輪,可360度旋轉移動,主要應用于篩分場所不固定的環境,便于用戶移動,滿足不同地點的工作需要。通過調節料倉中的蝶閥從而控制物料進入振動篩的流量,然后振動篩進行篩分作業,本品的特點間歇性加料,不用工人不間斷投料節省人工,蝶閥控制流量大小能提高篩分精度。
移動式料倉振動篩的工作原理:
移動式振動篩由直立式振動電機作為激振源,電機上、下兩端安裝有偏心重錘,將電機的旋轉運動轉變為水平、垂直、傾斜的三次元運動,再把這個運動傳遞給篩面進行篩分。調節上、下兩端的相位角,可以改變物料在篩面上的運動軌跡。
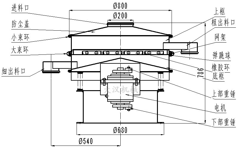
移動式料倉振動篩結構參數:
移動式料倉振動篩適用的行業:
化工行業:樹脂、涂料、工業藥品、化妝品、油漆、中藥粉等。
食品行業:糖粉、淀粉、食鹽、米粉、奶粉、豆漿、蛋粉、醬油、果汁等。
金屬、冶金礦業:鋁粉、鉛粉、銅粉、礦石、合金粉、焊條粉末、二氧化錳、電解銅粉、電磁性材料、研磨粉、耐火材料、高嶺土、石灰、氧化鋁、重質碳酸鈣、石英砂等。
公害處理:廢油、廢水、染整廢水、助劑、活性碳等。
大漢振動篩廠家可根據客戶需求設計特殊型號,無論物料是干是濕,是精細是粗糙,是比重大是比重輕,0-400目都可以篩選,不管是液態的,還是漿狀的0-600目都可以過濾."大漢"旋振篩系列產品同時配備專門的篩網清理裝置,把堵網率降到低,過網率和處理精度得以有效提高."大漢"具備特殊型號制造的能力讓顧客對"大漢"有更多的選擇。